
Electrical Specifications(技术数据):
型号(Motor Model) | 57BL4524 | 57BL5524 | 57BL7524 | 57BL9524 | 57BL11524 | |
极数(Number of Phases) | 4 | 4 | 4 | 4 | 4 | |
电压( voltage) | VDC | 24 | 24 | 24 | 24 | 24 |
额定转速(Rated speed) | rpm | 3000 | 3000 | 3000 | 3000 | 3000 |
额定转矩(Rated torque) | N.m | 0.055 | 0.11 | 0.22 | 0.33 | 0.44 |
额定电流(Rated current) | Amps. | 1.16 | 2.4 | 4.8 | 6.6 | 8.6 |
额定功率(Rated power) | Watt. | 17 | 35 | 70 | 105 | 140 |
峰值转距(Max torque) | N.m | 0.165 | 0.33 | 0.66 | 0.99 | 1.32 |
转矩常数(Torque constant) | N.m/Amps. | 0.052 | 0.06 | 0.06 | 0.063 | 0.063 |
反电势常数(Back EMF) | V/Krpm | 4 | 4.22 | 4.27 | 4.27 | 4.29 |
转子惯量(Rotor inertia) | Kg.mm2 | 3.2 | 7.5 | 11.9 | 17.3 | 23 |
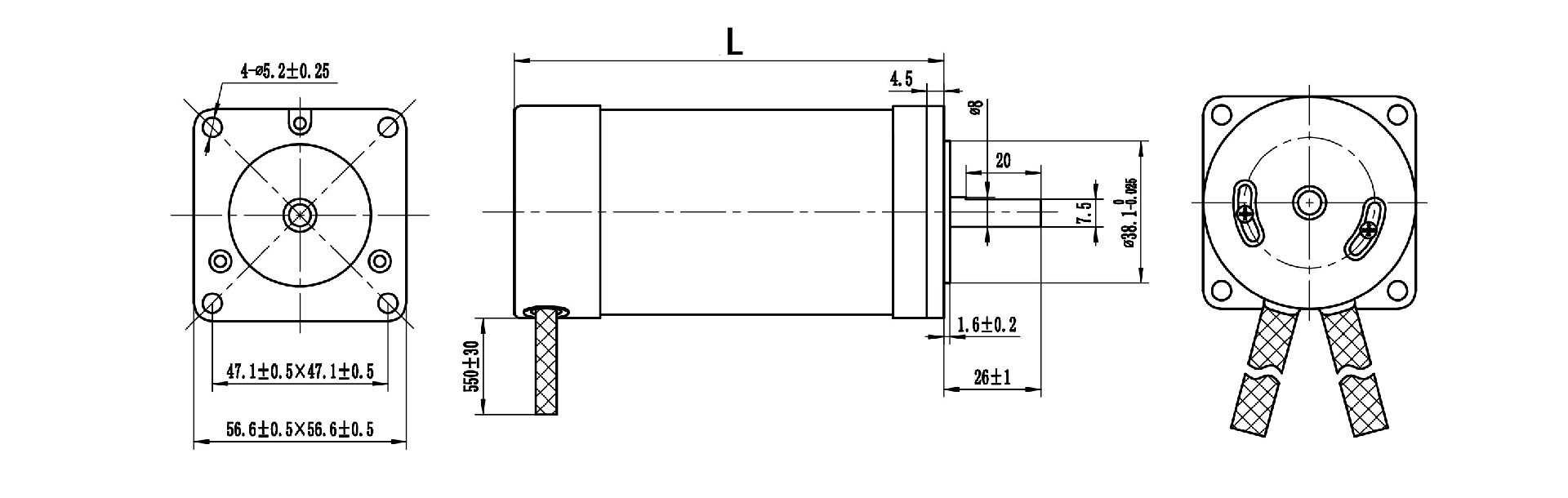
机身长L | mm | 45 | 55 | 75 | 95 | 115 |
重量(Weight) | Kg | 0.33 | 0.44 | 0.75 | 1 | 1.25 |
*以上仅为代表性产品,派生产品可根据客户要求制作!
Dimensions(外形图): unit=mm
